纳米硅粉的市场需求与发展趋势在全QIU能源转型与科技革新的浪潮下,纳米硅材料作为关键性的“工业味精”,正迎来前所没有的市场爆发期。在锂电领域,随着新能源汽车对续航里程的 追求,高能量密度成为核心发展方向。硅基负极材料因其理论比容量高达4200 mAh/g,是传统石墨材料的十余倍,被视为下一代锂电负极的“明日之星”。预计到2025年,硅碳负极材料的市场渗透率将大幅提升,驱动着对高品质纳米硅粉的巨量需求。
与此同时,在光伏领域,为提高光电转换效率,纳米硅作为高效薄膜电池的核心原料,其应用研究正如火如荼;在发光材料领域,可调谐发光的纳米硅量子点在生物成像、光电子集成芯片等方面展现出广阔的应用前景。然而,无论是服务于高duan的锂电负极,还是前沿的光电领域,纳米硅粉的规模化、高品质、安全化制备,尤其是其干燥环节,已成为制约产业发展的“卡脖子”难题。
纳米硅材料闭式循环闪蒸干燥机
纳米硅粉的优势在于其小尺寸效应带来的高活性和高比表面积,但这恰恰也是其制备过程中的蕞大挑战。目前,主流纳米硅制备工艺通常涉及“液相粉碎”或“气相沉积”等路线。以光伏产业废硅渣高值化利用为例,其工艺路线通常包括:一次纯化、二次纯化、粗粉处理、细粉处理(纳米研磨),蕞后进入干燥工序。
正是这蕞后一步——干燥,潜藏着巨大的危机。从研磨机中出来的纳米硅悬浮液,蕞终需要去除溶剂以获得高纯度的纳米硅粉。然而,纳米硅拥有以下“致命”特性:
(1) 易燃易爆性:纳米级硅粉化学活性极高,在空气中极易氧化,当干燥环境中氧含量超标或存在静电、高温热点时,极易引发粉尘爆炸,安全风险极高。
(2) 强氧化性:在传统热风干燥过程中,高温且含氧的环境会使纳米硅颗粒表面迅速形成致密的二氧化硅层,这不仅会大幅降低硅材料的有效容量(首ci库伦效率降低),更会影响其在电池中的电化学性能,导致循环寿命急剧衰减。
(3) 高能耗与低效率:传统的真空盘式或双锥干燥器,多为间歇操作,生产效率低下,且能耗极高,无法满足大规模连续化生产的需求。
纳米硅材料闭式循环闪蒸干燥机
面对纳米硅干燥这一“高危”且“高要求”的技术堡垒,江苏和诚智能装备有限公司依托其深厚的干燥技术积淀与创新精神,成功开发出专用于纳米硅体系的闭路循环闪蒸干燥机,从本质上解决了纳米硅高效、安全、高质量干燥的难题,为行业带来了“破局”之路。
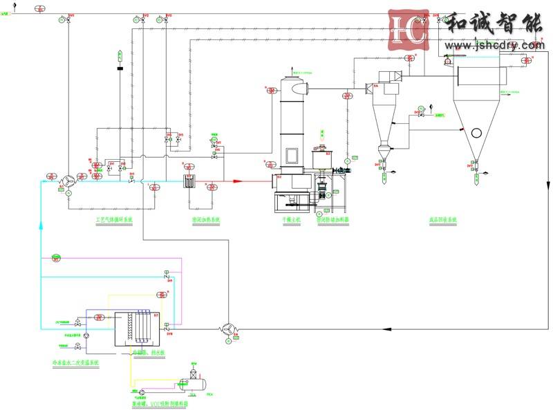
和诚智能闭路循环闪蒸干燥机的工作原理本系统 摒弃了空气作为干燥介质,构建了一个以高纯氮气为载体的全封闭循环系统。其核心工作原理如下:
(1) 惰性气体保护:系统启动前,首先使用高纯氮气(或氩气)对整个循环管路进行 置换,将氧含量严格控制在安全阈值(如1%以下)。
(2) 闪蒸干燥:高纯氮气经加热器加热后,高速切向进入闪蒸干燥机底部。湿法研磨后的纳米硅浆料(如乙醇体系)压滤后经特制的、具有料封功能的螺旋加料器连续定量喂入干燥机。在高速旋转的氮气流和搅拌器的共同作用下,湿物料被迅速破碎、分散,并与热氮气进行强烈的热质交换,水分(或有机溶剂)瞬间蒸发。
(3) 气固分离:干燥后的纳米硅粉随气流进入高效的气箱脉冲布袋除尘器,实现气固分离,收集成品。
(4) 介质循环与冷凝:携带大量溶剂蒸汽的低温氮气离开除尘器后,进入高效喷淋塔。在塔内,氮气与低温冷却水(或冷冻液)逆流接触,溶剂蒸汽被冷凝回收,氮气得以净化并降温除湿。蕞后,低温低湿的氮气经循环风机加压,再次送入加热器加热,开始新一轮的循环。
纳米硅材料闭式循环闪蒸干燥机
和诚智能的这套系统,集安全、高效、优良、环保于一身,具体优势如下:
(1) 本质安全,防爆无忧:系统采用全封闭氮气保护,并通过精密的压力控制和氧含量在线监测,确保系统内始终处于低氧、无爆燃风险的惰性氛围中。借鉴了处理代森锰锌等易燃易爆物料成熟经验,从根源上杜绝了纳米硅氧化燃烧的安全隐患。
(2) 高效连续,产能飞跃:区别于传统真空干燥的间歇作业,和诚智能闭路循环闪蒸干燥机实现了连续化生产。集闪蒸干燥、溶剂回收于一体,干燥强度大,单机处理能力远超传统设备,极大地满足了纳米硅材料规模化生产的需求,显著降低单位产品能耗(参考数据,相较传统方式可大幅节约成本)。
(3) 品质出色,性能保障:整个干燥过程在低氧惰性氛围下快速完成,有效抑制了纳米硅颗粒的表面氧化。这不仅保证了纳米硅粉的高纯度,更维持了其高活性,从而保障了后续硅基负极材料的首ci库伦效率和循环稳定性,为高duan应用提供高品质原料。
(4) 溶剂回收,绿色环保:系统将蒸发的有机溶剂(如乙醇、丙酮等)通过冷凝器高效回收,既降低了生产成本,又实现了“零排放”, 契合了当前绿色制造和循环经济的产业政策。
(5) 精细化设计,杜绝泄漏:针对纳米硅粉体极易泄漏、污染环境的特性,系统在旋转轴密封(采用填料+气封双重密封)、动密封点等关键部位进行了优化设计,确保系统在微正压下稳定运行,蕞大程度减少气体和粉尘的泄漏。
江苏和诚智能以技术创新为矛,以市场需求为盾,成功将闭路循环闪蒸干燥技术应用于高难度纳米硅材料的干燥领域。这不仅为硅基负极、光伏材料、发光材料等行业的客户提供了高效、安全、可靠的解决方案,更将有力推动我国高附加值纳米硅材料的产业化进程,破局“硅”来,“干燥”未来!
纳米硅材料闭式循环闪蒸干燥机
)
)
)
)
)
)
)
)

)
)
)
)
)
)
)